Piše: Irena Dujmušić
Os Uma
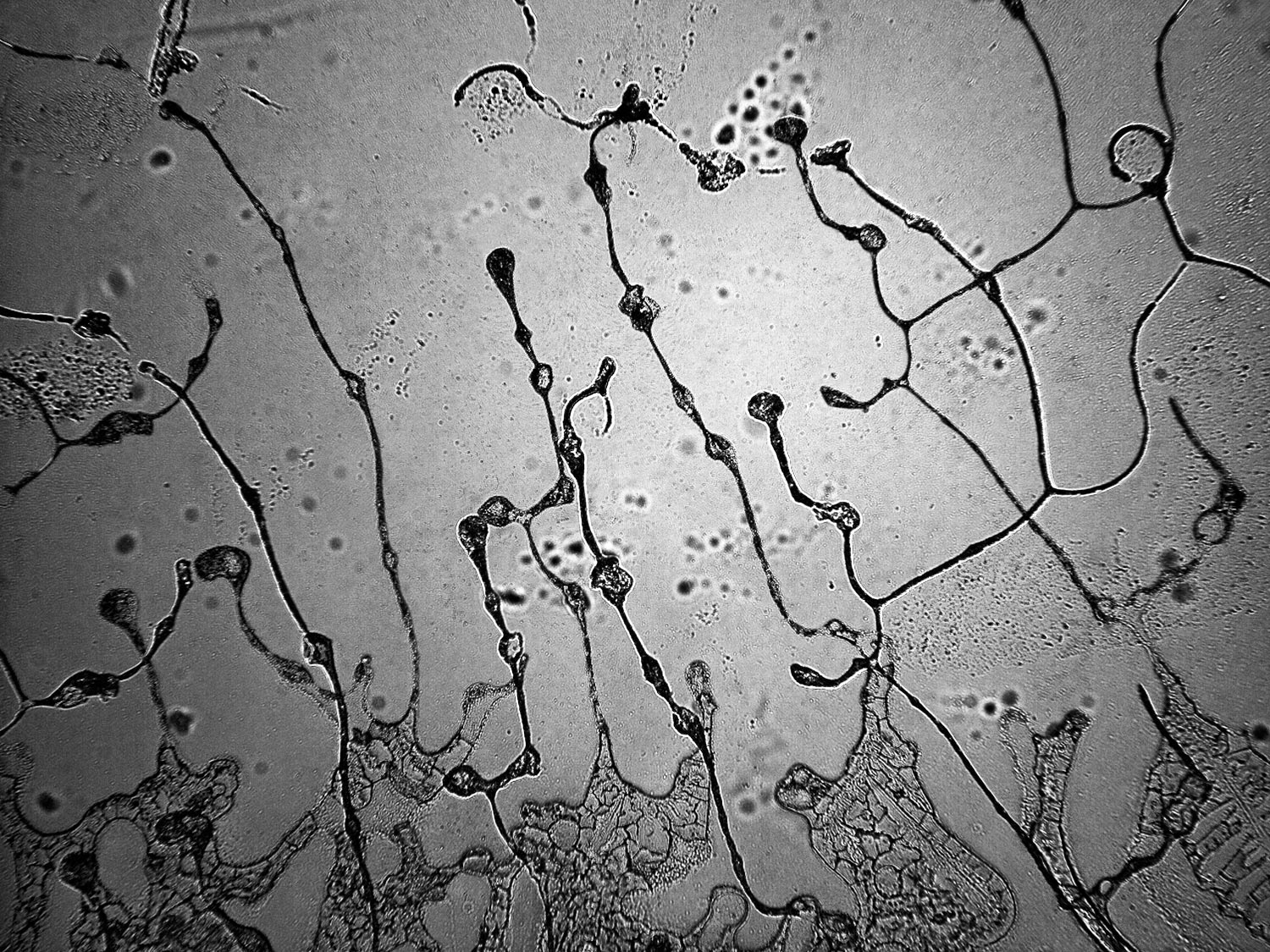
Fotografkinja Rose-Lynn Fisher je koristeći snažan elektronski mikroskop pružila do sada neočekivani pogled na ljudske suze. Konkretno, u svom novom projektu “Topografija suza” prikazala je kako izgledaju osušene ljudske suze izazvane raznim emocijama.
Rose-Lynn Fisher šaljivo navodi kako je počela raditi na ovom projektu prije pet godina, kada je zbog raznih promjena i gubitaka u svom životu imala i viška “materijala”. Nakon sličnih projekata o pčelama i komadiću vlastite kosti koji joj je odstranjen prilikom operacije, zaključila je da je “sve što vidimo u našim životima samo vrh ledenog brijega, vizualno”. Tako se u tom periodu suza zapitala – kako izgledaju suze izbliza?
Ulovila je jednu svoju suzu na slajdu, osušila je i pogledala je kroz standardni svjetlosni mikroskop i zaključila kako izgleda vrlo zanimljivo, gotovo kao pogled na krajolik iz zrakoplova. Zatim se zapitala izgledaju li suze tuge drugačije od suza radosti? Ili recimo suze izazvane rezanjem luka? Nakon toga je pokrenula projekt fotografiranja osušenih suza izazvanih raznim emocijama te je fotografirala više od 100 suza, kako vlastitih tako i od volontera, uključujući i suze novorođene bebe.

Znanstveno, suze su podijeljene u tri različite vrste, na temelju njihova podrijetla. Psihičke suze su potaknute ekstremnim emocijama, bez obzira jesu li to suze tuge ili radosti. Bazalne suze se luče kontinuirano tijekom 24 sata radi podmazivanja rožnice, a refleksne suze se pojavljuju kao odgovor na nadraživanje, primjerice na prašinu ili prilikom rezanja luka. Sve suze sadrže razne biološke tvari (uključujući ulja, antitijela i enzime) suspendirane u slanoj vodi, no kako je ona vidjela, suze iz svake kategorija uključuju i različite molekule. Emocionalne suze, primjerice, sadrže proteinske hormone uključujući neurotransmiter leucin enkefalin, prirodni analgetik koji se oslobađa kada je tijelo pod stresom. Osim toga, budući da su strukture viđene pod mikroskopom uglavnom kristalizirana sol, okolnosti pod kojima se suza suši može dovesti do radikalno različitih oblika i formacija, tako da dvije psihičke suze istog kemijskog sastava mogu izgledati vrlo različito izbliza. Fisher ističe kako postoji mnogo varijabli – kemija, viskoznost, postavke, brzina isparavanja i postavke mikroskopa.

Tako dugo proučavanje suza navelo ju je da o njima razmišlja kao o nečemu daleko većem od obične slane tekućine koju ispuštamo. Ona kaže: “Suze su medij našeg praiskonskog jezika u trenucima poput smrti ili gladi. To je kao da svaka od naših suza nosi mikrokozmos kolektivnog ljudskog iskustva, kao jedna kap u oceanu.”
Iako ovo nije znanstveno istraživanje, a i sama autorica priznaje kako razni faktori utječu na sušenje suza, treba razmisliti o tome da se suze sastoje od vode, a prema istraživanjima koja je provodio Masaru Emoto – voda posjeduje svijest i voda pamti, a ljudska svijest i vanjski podražaji utječu na molekularna svojstva vode. Također je ustanovio da kako voda pamti različite podražaje, tako ih i prikazuje kroz oblike kristala. Moguće je da se isto događa i sa suzama, te bi ovaj projekt mogao biti dobar poticaj za neko slično istraživanje. Na žalost, dr. Emoto je preminuo 2014., no nadajmo se da će se njegovo istraživanje nastaviti, sa svim oblicima u kojima se voda pojavljuje.
Izvori: Smithsonian, Masaru Emoto
